光MOS,也称光继电电路(PhotoMOS),是一种采用MOS管作为输出元件的光电耦合型半导体继电器。其由LED光源与光电二极管阵列组合构成,通过光电转换将光信号转换为MOS管栅极驱动信号,实现输出端无触点开关控制,主要应用于通信设备、测量仪器、医疗设备及工业机械的负载控制领域。
相比于机械继电器,光MOS产品具有无机械磨损、长寿命、高速开关等特性,支持高频动作与小型化设计。但光MOS本质上属于光电耦合器件,具有以下显著缺点:
温度敏感性强,工业和汽车高温环境(如85℃以上)易出现电流传输比(CTR)下降,导致信号丢失;
寿命有限,LED存在光衰问题,长期使用(5年以上)可靠性下降。
正是由于耐高温和光衰老化问题,光耦器件很少被用于汽车应用中。直到新能源汽车BMS发展,光MOS产品在当时才不得不应用在高压绝缘检测电路中。虽然作为车规产品应用其高温特性和寿命问题持续有所改善,但其固有的本质属性问题无法从根本上得到解决。
为了从根本上解决以上问题,荣湃半导体陆续推出了基于磁隔和容隔技术的高压隔离开关产品。虽然荣湃半导体推出的高压隔离开关产品与光MOS在原理上完全不同,但为了应用延续性和市场可接受度,仍称为“光MOS”产品。

表 1 荣湃半导体光 MOS 产品系列
Pai8558EQ
Pai8558EQ是荣湃半导体推出的第一款光MOS产品,其采用平面变压器隔离高压干扰,原副边线圈间填充聚酰亚胺(临界击穿场强0.3MV/cm)。通过AEC-Q100车规认证和VDE0884-17加强绝缘认证,已在客户端大批量出货。
Pai8559EQ
Pai8559EQ是在Pai8558EQ的基础上,将副边侧耐压能力从1500V提升到1700V,满足系统高压不断增大的应用场景。
Pai8558Q
为了改善电磁干扰(EMI)性能,特别是满足日趋严格的辐射干扰(RE)标准测试,荣湃半导体推出了基于电容隔离技术的光MOS产品Pai8558Q,其原副边耐压仍可达5000Vrms,通过VDE0884-17基本绝缘认证。详细的EMC测试结果可通过相关渠道向荣湃半导体销售工程师咨询。
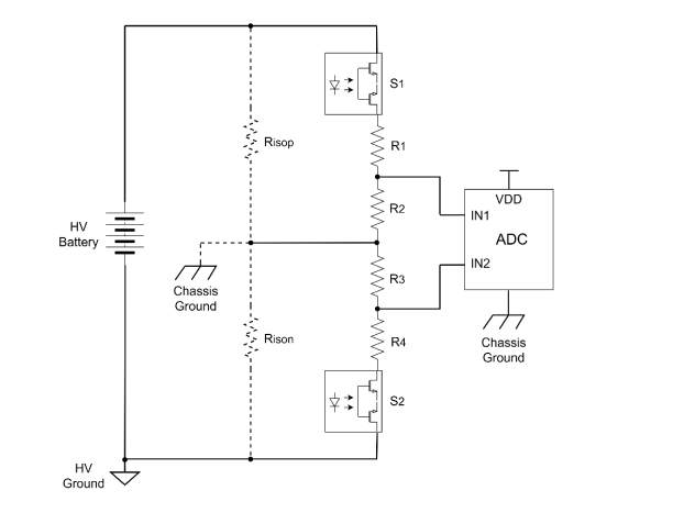
图1是典型的以车身地作为参考地的绝缘检测方案,其中Risop是等效的高压电池正端到车身地的绝缘阻抗,Rison是等效的高压电池负端到车身地的绝缘阻抗。S1和S2是高压隔离开关,分别串在正端和负端电阻分压网络上,可以选用荣湃半导体推出的光MOS产品。电阻R1~R4是电阻分压网络,得到合适的电压给到ADC进行采集。通过S1和S2间隔开关切换,可以通过ADC读到不同的电压,联立方程组,即可计算得到绝缘等效阻抗Risop和Rison。

图 1 以车身地作为参考地的绝缘检测原理图
国际标准《ISO 6469-3:2021 Electrically propelled road vehicles — Safety specifications Part 3: Electrical safety》以及国家标准《GB/T 18384.3-2015 电动汽车 安全要求 第3部分:人员触电防护》规定的耐压测试要求如下:
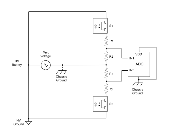
将控制器所有高压连接器Pin脚连接在一起,将所有低压连接器Pin脚连接在一起,在高压和低压Pin脚之间施加频率为50Hz~60Hz的(2U+1000)V(rms)的交流测试电压,或者等效的直流测试电压,持续时间1min,如图2为标准的控制器耐压测试示意图。

图 2 标准的控制器耐压测试示意图
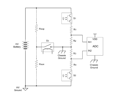
譬如对于500V高压电池系统,施加的交流测试电压即为2000Vrms,或者直流电压2828V;同样地,对于800V高压电池系统,施加的交流测试电压即为2600Vrms,或者直流电压3676V。为了满足耐压测试,系统应用中常需要在高压与低压地之间串入干簧继电器,用以保护光MOS器件,如图3中的干簧继电器S3。

图3 采用干簧继电器作为保护的绝缘检测示意图
此外,在高压储能应用中,电池电压越来越高,1200V和1500V高压电池系统越来越普遍,原先1500V及1700V的光MOS产品已不再适用。
在以上两个背景下,荣湃半导体果断推出了副边耐压3300V的光MOS产品Pai855AEQ。这款3300V光MOS产品给方案设计带来极大的系统优势:
新能源汽车500V或800V应用:因为该产品可承受耐压测试,不再需要干簧继电器,系统成本更低、可靠性更高。可参照表2使用荣湃半导体光MOS产品进行硬件配置。

1200V以上的高压储能应用:使用Pai855AEQ作为绝缘检测开关管,对应图3中的S1和S2。
当然,光MOS产品还广泛应用于电池管理系统高压采样电路中,以降低整车漏电流。基于对新能源汽车高压采样和绝缘检测应用的理解,荣湃半导体还将继续完善“光MOS”产品矩阵,即将推出新家庭成员,敬请期待。
Online messageinquiry
| model | brand | Quote |
|---|---|---|
| RB751G-40T2R | ROHM Semiconductor | |
| TL431ACLPR | Texas Instruments | |
| CDZVT2R20B | ROHM Semiconductor | |
| MC33074DR2G | onsemi | |
| BD71847AMWV-E2 | ROHM Semiconductor |
| model | brand | To snap up |
|---|---|---|
| IPZ40N04S5L4R8ATMA1 | Infineon Technologies | |
| STM32F429IGT6 | STMicroelectronics | |
| TPS63050YFFR | Texas Instruments | |
| ESR03EZPJ151 | ROHM Semiconductor | |
| BP3621 | ROHM Semiconductor | |
| BU33JA2MNVX-CTL | ROHM Semiconductor |
Qr code of ameya360 official account
Identify TWO-DIMENSIONAL code, you can pay attention to
Please enter the verification code in the image below: